
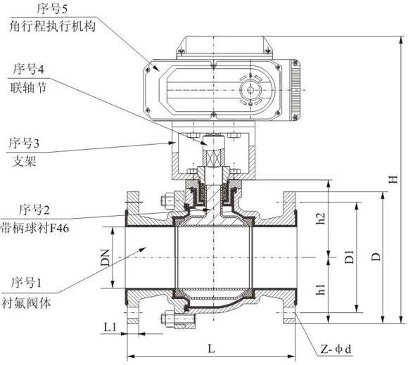
防爆球閥
閥門首頁 > 產品展示 > 球閥 > 防爆球閥 > 





| 設計與制造 | GB12237-89、API608、API 6D、JPI 7S-48、BS5351、DIN3357 |
| 法蘭尺寸 | JB/T74~90、GB9112~9131、HGJ44~76、SH3406、ANSI B16.5、JIS B2212~2214、DIN2543 |
| 結構長度 | GB12221-89、ANSI B16.10、JIS B2002、NF E29-305、DIN3202 |
| 檢驗與試驗 | JB/T 9092、API 598、GB/T13927 |
| 執行器類別 | 執行器參數 | 執行器參數 |
| 電源電壓 | 標準:220V AC單相 可選:110V AC 單相、380/440V AC 三相、24V/110V/220V DC | |
| 輸出力矩 | 50N·M~2000N·M | 50N·M~4000N·M |
| 動作范圍 | 0~90° 0~360° | 0~90°、0°~270°可選 |
| 控制方式 | 開關到位燈(開關兩位控制)、無源觸點信號、1/5K電位計、智能調節(4~20mA模擬量信號控制) | |
| 動作時間 | 15秒/30秒/60秒 | 18S~112S |
| 保護裝置 | 過熱保護 | 內置過熱保護、過載保護 |
| 環境溫度 | -30°~60° | -20℃~+70℃ |
| 手動操作 | 同附帶手柄操作 | 機械離合機構,配手輪操作 |
| 機械限位 | 電氣、機械二重限位 | 電氣、機械二重限位 |
| 防護等級 | IP65 | IP65、IP67、可定制IP68 |
| 防爆等級 | 無防爆 | ExdⅡ BT6,ExdⅡ CT5 |
| 位置測量 | 可選裝開關或電位計 | 電位計、比例控制單元 |
| 驅動電機 | 8W/E | 鼠籠式異步電機 |
| 進線接口 | 2個 G1/2″M18*1.5 | 2個 PF 3/4” |
| 殼體材料 | 鋁合金 | 鋁合金 |
| 外涂層 | 干粉,環氧聚酯,具有超強防腐功能 | |
| 執行器類別 | 執行器參數 | 執行器參數 |
| 電源電壓 | 標準:220V AC單相 可選:110V AC 單相、380/440V AC 三相、24V/110V/220V DC | |
| 輸出力矩 | 50N·M~2000N·M | 50N·M~4000N·M |
| 動作范圍 | 0~90° 0~360° | 0~90°、0°~270°可選 |
| 控制方式 | 開關到位燈(開關兩位控制)、無源觸點信號、1/5K電位計、智能調節(4~20mA模擬量信號控制) | |
| 動作時間 | 15秒/30秒/60秒 | 18S~112S |
| 保護裝置 | 過熱保護 | 內置過熱保護、過載保護 |
| 環境溫度 | -30°~60° | -20℃~+70℃ |
| 手動操作 | 同附帶手柄操作 | 機械離合機構,配手輪操作 |
| 機械限位 | 電氣、機械二重限位 | 電氣、機械二重限位 |
| 防護等級 | IP65 | IP65、IP67、可定制IP68 |
| 防爆等級 | 無防爆 | ExdⅡ BT6,ExdⅡ CT5 |
| 位置測量 | 可選裝開關或電位計 | 電位計、比例控制單元 |
| 驅動電機 | 8W/E | 鼠籠式異步電機 |
| 進線接口 | 2個 G1/2″M18*1.5 | 2個 PF 3/4” |
| 殼體材料 | 鋁合金 | 鋁合金 |
| 外涂層 | 干粉,環氧聚酯,具有超強防腐功能 | |


上一篇:礦用隔爆兼本安型閥門電動裝置 / 下一篇:礦用本安型防爆電動球閥