
蝶閥知識
閥門首頁 > 閥門知識 > 蝶閥知識 > 在設計閥體時,根據用戶意見和接口推力的要求對閥體剛度進行了加強,加強閥體剛度也是十分必要的,因為,閥體是 閥門 最重要的部件...
在 手動蝶閥 閥體圓柱形通道內,圓盤形蝶板繞著軸線旋轉,旋轉角度為 0-90 之間,旋轉到 90 時,閥門則牌全開狀態,手動蝶閥結構簡單、...
電動軟密封蝶閥 是用隨閥桿轉動的圓形蝶板做啟閉性,以實現啟用動作的氣動 閥門 主要做截斷閥使用,亦可設計成具有調節或段閥兼調節的...
電動球閥 與 電動蝶閥 是蒸汽管道中使用較多的 閥門 ,因蒸汽管道工程對 閥門 要求高,因此選這電動球閥與電動蝶閥是不能輕視。筆者認...
上海湖泉 電動蝶閥型號 編制方法-蝶閥型號大全 一、最新 電動蝶閥型號 編制表示說明: 隨著高科技發展的不斷進步,工況要求也越來越高...
上裝閘式 金屬硬密封電動蝶閥 產品概述 上裝閘式金屬硬密封 蝶閥 是在多層次三偏心金屬硬密封蝶閥的基礎上,開發的又一款新產品。除...
上海湖泉 電動蝶閥 有開關型和智能型二種, 蝶閥 與DSR執行機構配套,輸入控制信號(4~20mADC或1~5VDC)及單相電源即可控制運轉,具有功能...
1、 電動煙道蝶閥廠家 在非工作時間中,閥門關閉,防止大的灰渣進入管道,保護管道生產的安全及可持續進行。本閥采用與閥體相同材料...
上海湖泉閥門有限公司 常年出售電動閘閥,電動蝶閥,電動球閥及電動截止閥,本著誠信服務于客戶的理念,以優質的服務,優惠的產品價格,...
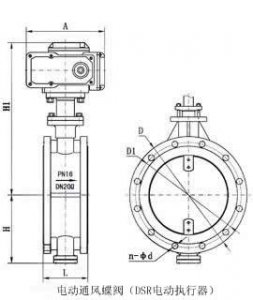
電動通風 蝶閥 應用于化工、建材、電站、玻璃等行業中的通風、環保工程的含塵冷風或熱風氣體管道中,作為氣體介質調節流量或切斷的...