
蝶閥知識
閥門首頁 > 閥門知識 > 蝶閥知識 > D363H 焊接蝶閥 采用精密的J形彈性密封圈和三偏心多層次金屬硬密封結構,被廣泛用于介質溫度425℃的治金、電力、石油化工、以及給排水和...
本文將為您介紹一份專業的不銹鋼閥門蝶閥廠家價格表,以幫助您了解市場行情和選擇合適的產品。不銹鋼閥門蝶閥是工業管道系統中常用...
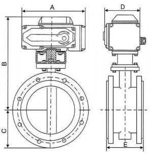
dn700的電動蝶閥安裝尺寸是在工程設計和設備安裝中非常重要的參數之一。正確的安裝尺寸可以保證蝶閥在工作過程中的正常運行,并確保系...
D71X-16C是德特森閥門常用的鑄鋼蝶閥型號字母分別代表的意思是: D代表閥門類型《蝶閥》 7代表連接方式《對夾》 1代表結構形式《中線》...
DN700的電動蝶閥安裝尺寸對于工業管道系統的設計和安裝來說,具有重要的意義。蝶閥作為一種常用的流體控制裝置,廣泛應用于管道系統中...
蝶閥手動改自動延長桿加多長是一種常見的工程需求,旨在增加操作便利性和提高工作效率。蝶閥作為一種常用的流體控制裝置,廣泛應用...
安裝方式區別:法蘭蝶閥一般采用法蘭連接,通過在管道上單獨設置法蘭連接的方式安裝;而對夾蝶閥則是通過對接夾緊在管道上的對夾法...
封蝶閥配以電動執行器,可實現遠距離控制和自動化操作。電動多層次金屬密封蝶閥系列產品,系使用時間長、節能型蝶閥。其結構采用三維編...
d941X-16c電動蝶閥的型號意義及結構詳細圖解 d代表蝶閥。 9代表驅動裝置是電動。 4代表閥門與管道的連接方式是法蘭連接。 數字1有兩種說...
D941X不銹鋼智能電動蝶閥是采用一體化結構,接入220V或380V電源即可控制運轉,也可加入控制模塊,輸入控制信號(4-20mADC或1-5VDC)進行調節控制。不...